-

政 策
-

政府信息
公开指南 -

政府信息
公开制度 -

法定主动
公开内容 -

政府信息
公开年报 -

政策解读
-

依申请
公开 -

县(市)区
平台链接
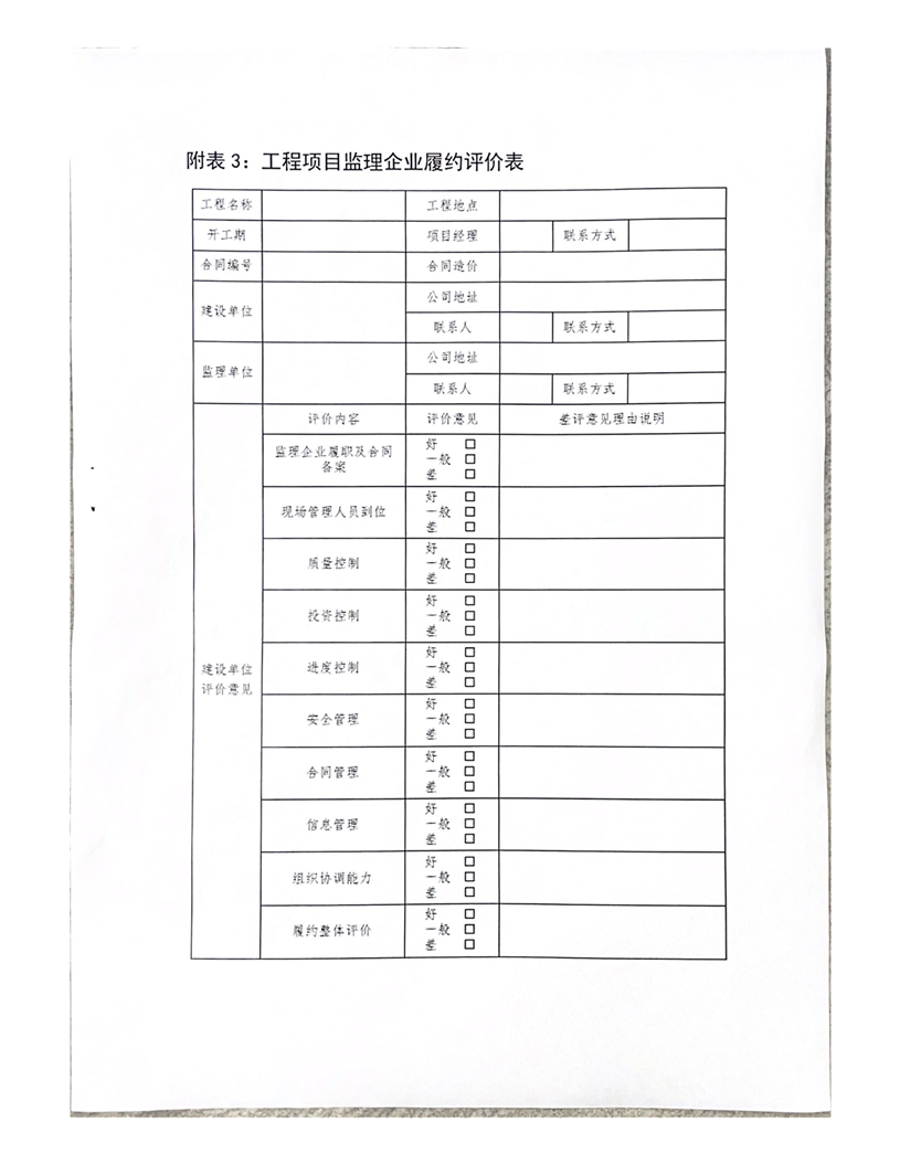
关于建立房屋建筑和市政基础设施工程合同主体履约评价监督管理机制的通知
发布日期:2022-09-20 来源: 365提款_365bet官方_365直播网网络电视台下载住房和城乡建设局








政 策

政府信息
公开指南

政府信息
公开制度

法定主动
公开内容

政府信息
公开年报

政策解读

依申请
公开

县(市)区
平台链接







主 办:365提款_365bet官方_365直播网网络电视台下载人民政府
联系电话:0458-3878882
网站举报电话:0458-3878882
访 问 量:
承 办:365提款_365bet官方_365直播网网络电视台下载人民政府办公室
中文域名:365提款_365bet官方_365直播网网络电视台下载人民政府.政务.cn
网站标识码:2307000004
网站举报邮箱:ycswangzhan@126.com
黑公网安备 23070202000001号

